产品介绍
【产品说明】
CS49H-16、S49H-16、CS49-16C、CS49H-25、CS49H-40 圆盘式蒸汽疏水阀:法兰连接、圆盘热动力结构形式,阀座密封面材料为Cr13 系不锈钢,公称压力PN16~PN40,阀体材料为灰铸铁(CS49H-16、S49H-16)、碳钢(CS49H-16C、CS49H-25、CS49H-40)的蒸汽疏水阀。圆盘式疏水阀用来自动排除蒸汽管道,用热设备中的凝结水,以保证管道畅通,提高热效率。用于石油、化工、食品、印染、纺织、医药等行业的蒸汽管网中的蒸汽总管、支管、汽水分离器等场合,还可用于烘房、烘箱、热压机等用汽设备中。
【工作原理】
圆盘式蒸汽疏水阀是根据伯努力热动力原理,利用蒸汽和凝结水的热动力学不同的特性,引起动能和势能动静压变化.使动作件阀片上下压差变化,启动阀片开启和关闭,从而达到阻汽排水目的。
【产品性能参数】
|
CS49H-16、S49H-16、CS49-16C、CS49H-25、CS49H-40 圆盘式疏水阀主要性能参数 |
|||||
|
型号 |
PN |
工作压力/MPa |
适用温度/℃ |
适用介质 |
|
|
CS49H-16、S49H-16 |
16 |
1.6 |
≤203 |
蒸汽、凝结水 |
|
|
CS49H-16C |
16 |
1.6 |
≤203 |
||
|
CS49H-25 |
25 |
2.5 |
≤210 |
||
|
CS49H-40 |
40 |
4.0 |
≤247 |
||
【产品零部件材料】
|
CS49H-16、S49H-16、CS49-16C、CS49H-25、CS49H-40 圆盘式疏水阀零部件材料 |
|||
|
型号 |
材料 |
|
|
|
阀体、阀盖 |
阀座、阀杆、过滤网 |
|
|
|
CS49H-16、S49H-16 |
灰铸铁 |
不锈钢 |
|
|
CS49H-16C |
碳素铸钢 |
不锈钢 |
|
|
CS49H-25 |
碳素铸钢 |
不锈钢 |
|
|
CS49H-40 |
碳素铸钢 |
不锈钢 |
|
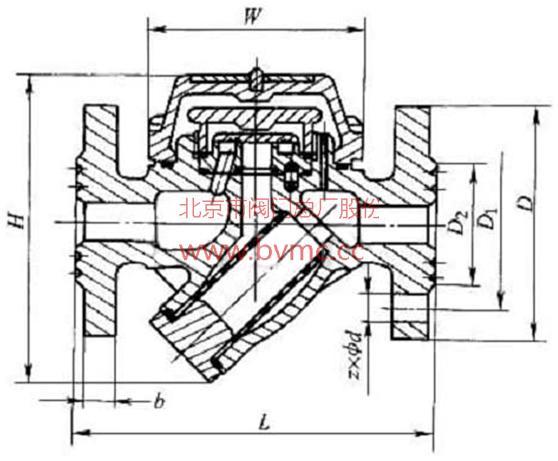
【产品外形及结构尺寸】
|
CS49H-16、S49H-16、CS49-16C 圆盘式疏水阀主要外形及结构尺寸(mm) |
||||||||
|
DN |
L |
H |
D |
D1 |
D2 |
b |
z×Φd |
重量/kg |
|
15 |
150 |
70 |
95 |
56 |
54 |
16 |
4×Φ13.5 |
4 |
|
20 |
190 |
70 |
105 |
75 |
58 |
16 |
4×Φ13.5 |
4.2 |
|
25 |
200 |
70 |
115 |
85 |
68 |
16 |
4×Φ13.5 |
4.5 |
|
32 |
230 |
— |
135 |
100 |
78 |
18 |
4×Φ17.5 |
6 |
|
40 |
230 |
— |
145 |
110 |
85 |
18 |
4×Φ17.5 |
8 |
|
50 |
230 |
— |
160 |
125 |
100 |
20 |
4×Φ17.5 |
9 |
|
65 |
270 |
— |
185 |
145 |
122 |
20 |
4×Φ17.5 |
13.5 |
|
80 |
280 |
— |
200 |
160 |
133 |
22 |
4×Φ17.5 |
17.5 |
|
100 |
300 |
— |
215 |
180 |
155 |
24 |
4×Φ17.5 |
20 |
【产品外形及结构尺寸】
|
CS49H-25 圆盘式蒸汽疏水阀主要外形及结构尺寸(mm) |
|||||
|
DN |
L |
D |
D1 |
H |
z×Φd |
|
15 |
150 |
95 |
65 |
105 |
4×Φ14 |
|
20 |
150 |
105 |
75 |
105 |
4×Φ14 |
|
25 |
160 |
115 |
85 |
110 |
4×Φ14 |
|
32 |
230 |
135 |
100 |
115 |
4×Φ18 |
|
40 |
230 |
150 |
110 |
125 |
4×Φ18 |
|
50 |
230 |
165 |
125 |
135 |
4×Φ18 |
【产品外形及结构尺寸】
|
CS49H-40 圆盘式蒸汽疏水阀主要外形及结构尺寸(mm) |
|||||||
|
DN |
L |
D |
D1 |
D2 |
D6 |
z×Φd |
重量/kg |
|
15 |
150 |
95 |
65 |
46 |
40 |
4×Φ14 |
2.7 |
|
20 |
150 |
105 |
75 |
56 |
51 |
4×Φ14 |
3.2 |
|
25 |
160 |
115 |
85 |
65 |
58 |
4×Φ14 |
3.7 |
|
40 |
230 |
150 |
110 |
84 |
76 |
4×Φ18 |
8.5 |
|
50 |
230 |
165 |
125 |
99 |
88 |
4×Φ18 |
10.5 |
【产品外形及结构尺寸示意图】

关键词:
阀门