产品介绍
产品采用标准Technical specification
| 结构形式 | 单偏心/双偏心/三偏心/变偏心 | |
| 设计依据 | GB | API |
| 驱动方式 | 手动、蜗轮蜗杆传动、气动、电动 | |
| 设计标准 | GB/T 12238 | API609、MSS.Sp-68 |
| 结构长度 | GB/T 12221 | ASME Bl6.10、API609、 MSS.Sp-68 |
| 连接法兰口 | JB/T 79、JB/T 82、 BG/T 9115 GB/T9113 | ASME Bl6.5、ASME Bl6.47 |
| 试验和检验 | GB/T13927 JB/T 9092 | AP1598 |
注:阀门连接法兰及对焊端尺寸可根据用户要求设计制造。
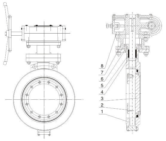
双偏心主要零件材料
| 序号 | 零件名称 | 材质 | 序号 | 零件名称 | 材质 |
| 1 | 阀体 |
WCB CF8 CF8M CF8C CF3 CF3M |
5 | 填料 |
柔性石墨 |
| 2 | 阀杆 |
l2Cr13、 20Cr13 、 06Cr18Ni9Ti |
6 | 填料压盖 |
WCB、CF8、 CF8M |
|
06Cr18Ni12Mo2Ti |
|||||
| 3 | 蝶板组合件 |
WCB+F4、WCB+不锈钢复合件、 |
7 | 支架 |
WCB、CF8、 CF8M、CF3、 CF3M |
|
WCB+F6、CF8、CF8M |
|||||
| 4 | 填料垫 |
20Cr13 |
8 | 蜗轮蜗杆装置 |
注:美标相应材质不一一列举
主要外形尺寸
型号:D4(6)2(3、4、5)F(X、H、W、Y)
| PN | DN | 尺寸 (mm) | PN | DN | 尺寸 (mm) | ||||||||||
| L1 | L11 | L2 | Ho | H | B | L1 | L11 | L2 | Ho | H | B | ||||
| 1.0 | 40 | 106 | 140 | 33 | 155 | 208 | 180 | 2.5 | 40 | 106 | 140 | 33 | 155 | 208 | 180 |
| 50 | 108 | 150 | 43 | 160 | 225 | 200 | 50 | 108 | 150 | 43 | 160 | 225 | 200 | ||
| 65 | 112 | 170 | 46 | 175 | 250 | 230 | 65 | 112 | 170 | 46 | 175 | 265 | 230 | ||
| 80 | 114 | 180 | 49 | 190 | 260 | 250 | 80 | 114 | 180 | 49 | 190 | 275 | 250 | ||
| 100 | 127 | 190 | 56 | 195 | 295 | 270 | 100 | 127 | 190 | 56 | 205 | 310 | 270 | ||
| 125 | 140 | 200 | 64 | 215 | 330 | 300 | 125 | 140 | 200 | 64 | 220 | 347 | 300 | ||
| 150 | 140 | 210 | 70 | 225 | 356 | 350 | 150 | 140 | 210 | 70 | 235 | 374 | 350 | ||
| 1.6 | 40 | 106 | 140 | 33 | 155 | 208 | 180 | 4 | 40 | 106 | 140 | 33 | 155 | 208 | 180 |
| 50 | 108 | 150 | 43 | 160 | 225 | 200 | 50 | 108 | 150 | 43 | 160 | 225 | 200 | ||
| 65 | 112 | 170 | 46 | 175 | 250 | 230 | 65 | 112 | 170 | 46 | 175 | 265 | 230 | ||
| 80 | 114 | 180 | 49 | 190 | 260 | 250 | 80 | 114 | 180 | 49 | 190 | 275 | 270 | ||
| 100 | 127 | 190 | 56 | 195 | 295 | 270 | 100 | 127 | 190 | 56 | 205 | 310 | 300 | ||
| 125 | 140 | 200 | 64 | 215 | 330 | 300 | 125 | 140 | 200 | 64 | 220 | 347 | 350 | ||
| 150 | 140 | 210 | 70 | 225 | 356 | 350 | 150 | 140 | 210 | 70 | 235 | 374 | 380 | ||
主要外形尺寸
型号Model: D4(6)2(3、4、5)F(X、H、W、Y)
| class | NPS | 尺寸 (mm) | class | NPS | 尺寸 (mm) | ||||||||
| (in) | L1 | L2 | Ho | H | B | (in) | L1 | L2 | Ho | H | B | ||
| 150 | 3 | 114 | 48 | 187 | 262 | 250 | 300 | 3 | 114 | 48 | 198 | 293 | 290 |
| 4 | 127 | 54 | 203 | 308 | 270 | 4 | 127 | 54 | 203 | 310 | 320 | ||
| 5 | 140 | 55 | 215 | 324 | 300 | 5 | 140 | 55 | 225 | 352 | 350 | ||
| 6 | 140 | 57 | 224 | 354 | 350 | 6 | 140 | 59 | 235 | 384 | 380 | ||

主要外形尺寸
型号Model: D34(6)2(3、4、5)F(X、H、W、Y)
| PN | DN | 尺寸 (mm) | 蜗轮蜗杆装置 | ||||||||
| L1 | L11 | L2 | L3 | Ho | H | A | B | Do | |||
|
0.6 1.0 |
65 | 112 | 170 | 170 | 46 | 180 | 290 | 63 | 140 | 180 | 0型 |
| 80 | 114 | 180 | 180 | 49 | 190 | 320 | 63 | 140 | 180 | 0型 | |
| 100 | 127 | 190 | 190 | 56 | 198 | 342 | 63 | 140 | 240 | A型 | |
| 150 | 140 | 210 | 210 | 70 | 246 | 415 | 63 | 140 | 240 | A型 | |
| 200 | 152 | 230 | 230 | 71 | 298 | 470 | 84 | 170 | 300 | B型 | |
| 250 | 165 | 250 | 250 | 76 | 328 | 535 | 84 | 170 | 300 | B型 | |
| 300 | 178 | 270 | 270 | 83 | 365 | 606 | 108 | 200 | 400 | C型 | |
| 350 | 190 | 290 | 290 | 92 | 408 | 695 | 108 | 200 | 400 | C型 | |
| 400 | 216 | 310 | 310 | 102 | 446 | 755 | 128 | 240 | 400 | C型 | |
| 450 | 222 | 330 | 330 | 114 | 475 | 815 | 152 | 240 | 600 | D型 | |
| 500 | 229 | 350 | 350 | 127 | 525 | 905 | 168 | 300 | 600 | D型 | |
| 600 | 267 | 390 | 390 | 154 | 610 | 1050 | 320 | 192 | 600 | D型 | |
| 700 | 292 | 430 | 430 | 165 | 795 | 1276 | 237 | 192 | 350 | DA型 | |
| 800 | 318 | 470 | 470 | 190 | 837 | 1384 | 237 | 168 | 350 | DA型 | |
| 900 | 330 | 510 | 510 | 203 | 885 | 1500 | 237 | 168 | 350 | DA型 | |
| 1000 | 410 | 550 | 550 | 216 | 946 | 1620 | 785 | 30 | 450 | DB型 | |
| 1200 | 470 | 630 | 630 | 254 | 1165 | 2185 | 785 | 30 | 450 | DB型 | |
| 1400 | 530 | 710 | 710 | 279 | 1310 | 2315 | 785 | 30 | 450 | DB型 | |
| 1600 | 600 | 790 | 790 | 318 | 1440 | 2675 | 785 | 30 | 450 | DB型 | |
| 1800 | 670 | 870 | 870 | 356 | 1580 | 2920 | 865 | 50 | 600 | DC型 | |
| 2000 | 760 | 950 | 950 | 406 | 1725 | 3170 | 865 | 50 | 600 | DC型 | |
| 2200 | 760 | 1000 | 1000 | ― | 1845 | 3415 | 865 | 50 | 600 | DC型 | |
| 2400 | 760 | 1100 | 1100 | ― | 1972 | 3670 | 865 | 50 | 600 | DC型 | |
| 2600 | 760 | 1200 | 1200 | ― | 2100 | 3830 | 865 | 50 | 600 | DD型 | |
| 2800 | 760 | 1300 | 1300 | ― | 2235 | 4100 | 865 | 50 | 600 | DD型 | |
| 3000 | 760 | 1400 | 1400 | ― | 2370 | 4380 | 865 | 50 | 600 | DD型 | |
| 3200 | 1100 | 1400 | 1400 | ― | 2880 | 4690 | 865 | 50 | 600 | DD型 | |

主要外形尺寸Main size of outside
型号Model:D34(6、7)2(3、4、5)F(X、H、W、Y)
| PN | DN | 尺寸mm) | 蜗轮蜗杆装置 | ||||||||
| L1 | L11 | L2 | L3 | Ho | H | A | B | Do | |||
| 1.6 | 65 | 112 | 170 | 170 | 46 | 175 | 290 | 140 | 63 | 160 | 0型 |
| 80 | 114 | 180 | 180 | 49 | 185 | 320 | 140 | 63 | 160 | 0型 | |
| 100 | 127 | 190 | 190 | 56 | 195 | 342 | 140 | 63 | 160 | 0型 | |
| 125 | 140 | 200 | 200 | 64 | 209 | 365 | 140 | 63 | 300 | A型 | |
| 150 | 140 | 210 | 210 | 70 | 243 | 415 | 140 | 63 | 300 | A型 | |
| 200 | 152 | 230 | 230 | 71 | 263 | 510 | 150 | 84 | 400 | B型 | |
| 250 | 165 | 250 | 250 | 76 | 295 | 567 | 150 | 84 | 400 | B型 | |
| 300 | 178 | 270 | 270 | 83 | 342 | 665 | 200 | 108 | 600 | C型 | |
| 350 | 190 | 290 | 290 | 92 | 385 | 739 | 200 | 108 | 600 | C型 | |
| 400 | 216 | 310 | 310 | 102 | 430 | 825 | 240 | 152 | 600 | C型 | |
| 450 | 222 | 330 | 330 | 114 | 469 | 910 | 240 | 152 | 800 | D型 | |
| 500 | 229 | 350 | 350 | 127 | 500 | 9gO | 300 | 168 | 800 | D型 | |
| 600 | 267 | 390 | 390 | 154 | 618 | 1210 | 320 | 192 | 800 | D型 | |
| 700 | 292 | 430 | 430 | 165 | 746 | 1475 | 237 | 138 | 400 | DA型 | |
| 800 | 318 | 470 | 470 | 190 | 810 | 1600 | 237 | 138 | 400 | DA型 | |
| 900 | 330 | 510 | 510 | 203 | 1000 | 1870 | 785 | 30 | 400 | DA型 | |
| 1000 | 410 | 550 | 550 | 216 | 1065 | 2000 | 785 | 30 | 600 | DB型 | |
| 1200 | 470 | 630 | 630 | 254 | 1170 | 2215 | 785 | 30 | 600 | DB型 | |
| 1400 | 530 | 710 | 710 | 279 | 1319 | 2430 | 865 | 50 | 800 | DC型 | |
| 1600 | 600 | 790 | 790 | 318 | 1443 | 2700 | 865 | 50 | 800 | DC型 | |
| 1800 | 670 | 870 | 870 | 356 | 1595 | 2938 | 865 | 50 | 800 | DD型 | |
| 2000 | 760 | 950 | 950 | 406 | 1743 | 3210 | 865 | 50 | 800 | DD型 | |
| 2200 | 800 | 1000 | 1000 | 590 | 2051 | 3780 | 865 | 50 | 800 | DD型 | |
| 2400 | 850 | 1100 | 1100 | 650 | 2125 | 3933 | 865 | 50 | 800 | DD型 | |
| 2600 | 900 | 1200 | 1200 | 700 | 2351 | 4159 | 865 | 50 | 800 | DD型 | |
| 2800 | 950 | 1300 | 1300 | 760 | 2425 | 4233 | 865 | 50 | 800 | DD型 | |
| 3000 | 1000 | 1400 | 1400 | 810 | 2600 | 4408 | 865 | 50 | 800 | DD型 | |

主要外形尺寸Main size of outside
型号Model: D34(6、7)2(3、4、5)F(X、H、W、Y)
| PN | DN | 尺寸 (mm) | 蜗轮蜗杆装置 | ||||||||
| L1 | L11 | L2 | L3 | Ho | H | A | B | Do | |||
| 2.5 | 80 | 114 | 180 | 180 | 49 | 185 | 320 | 140 | 63 | 160 | 0型 |
| 100 | 127 | 190 | 190 | 56 | 200 | 350 | 140 | 63 | 300 | A型 | |
| 125 | 140 | 200 | 200 | 64 | 210 | 375 | 140 | 63 | 300 | A型 | |
| 150 | 140 | 210 | 210 | 70 | 245 | 425 | 140 | 63 | 400 | B型 | |
| 200 | 152 | 230 | 230 | 71 | 270 | 526 | 150 | 84 | 400 | B型 | |
| 250 | 165 | 250 | 250 | 76 | 302 | 590 | 150 | 84 | 600 | C型 | |
| 300 | 178 | 270 | 270 | 83 | 360 | 695 | 200 | 108 | 600 | C型 | |
| 350 | 190 | 290 | 290 | 92 | 420 | 789 | 240 | 108 | 600 | C型 | |
| 400 | 216 | 310 | 310 | 102 | 435 | 848 | 240 | 128 | 800 | D型 | |
| 450 | 222 | 330 | 330 | 114 | 475 | 943 | 300 | 152 | 800 | D型 | |
| 500 | 229 | 350 | 350 | 127 | 550 | 1079 | 320 | 168 | 800 | D型 | |
| 600 | 267 | 390 | 390 | 154 | 675 | 1352 | 237 | 192 | 400 | DA型 | |
| 700 | 292 | 430 | 430 | 165 | 759 | 1495 | 237 | 685 | 400 | DA型 | |
| 800 | 318 | 470 | 470 | 190 | 835 | 1640 | 237 | 685 | 400 | DA型 | |
| 900 | 330 | 510 | 510 | 203 | 886 | 1765 | 785 | 30 | 600 | DB型 | |
| 1000 | 410 | 550 | 550 | 216 | 945 | 1885 | 785 | 30 | 600 | DB型 | |
| 1200 | 470 | 630 | 630 | 254 | 1055 | 2100 | 865 | 50 | 800 | DC型 | |
| 1400 | 530 | 710 | 710 | 279 | 1163 | 2325 | 865 | 50 | 800 | DC型 | |
| 4.0 | 80 | 180 | ― | 180 | 49 | 245 | 395 | 140 | 63 | 300 | A型 |
| 100 | 190 | ― | 190 | 56 | 205 | 356 | 140 | 63 | 400 | B型 | |
| 125 | 200 | ― | 200 | 64 | 213 | 375 | 140 | 63 | 400 | B型 | |
| 150 | 210 | ― | 210 | 70 | 260 | 439 | 150 | 84 | 600 | C型 | |
| 200 | 230 | ― | 230 | 71 | 275 | 520 | 150 | 84 | 600 | C型 | |
| 250 | 250 | ― | 250 | 76 | 315 | 600 | 200 | 108 | 600 | C型 | |
| 300 | 270 | ― | 270 | 83 | 365 | 692 | 200 | 108 | 800 | D型 | |
| 350 | 290 | ― | 290 | 127 | 408 | 776 | 240 | 152 | 800 | D型 | |
| 400 | 310 | ― | 310 | 140 | 443 | 864 | 300 | 168 | 800 | D型 | |
| 500 | 350 | ― | 350 | 170 | 525 | 1128 | 168 | 237 | 400 | DA型 | |
| 600 | 390 | ― | 390 | 200 | 664 | 1257 | 168 | 237 | 400 | DA型 | |

主要外形尺寸
型号:D34(6、7)2(3、4、5)F(X、H、W、Y)
| PN | DN | 尺寸 (mm) | 蜗轮蜗杆装置 | |||||||
| L1 | L2 | L3 | HO | H | A | B | DO | |||
| 6.4 | 80 | 180 | 180 | 70 | 192 | 388 | 140 | 63 | 400 | B型 |
| 100 | 190 | 190 | 76 | 205 | 395 | 140 | 63 | 400 | B型 | |
| 125 | 200 | 200 | 86 | 225 | 420 | 150 | 84 | 600 | C型 | |
| 150 | 210 | 210 | 100 | 265 | 498 | 200 | 108 | 600 | C型 | |
| 200 | 230 | 230 | 116 | 292 | 540 | 240 | 152 | 600 | C型 | |
| 250 | 250 | 250 | 128 | 328 | 638 | 300 | 168 | 800 | D型 | |
| 300 | 270 | 270 | 150 | 372 | 725 | 320 | 192 | 800 | D型 | |
| 350 | 290 | 290 | 165 | 418 | 800 | 168 | 237 | 800 | D型 | |
| 400 | 310 | 310 | 175 | 450 | 890 | 168 | 237 | 400 | DA型 | |
| 500 | 350 | 350 | 195 | 624 | 1158 | 168 | 237 | 400 | DA型 | |
| 600 | 390 | 390 | 215 | 678 | 1580 | 168 | 237 | 400 | DA型 | |
| 10.0 | 80 | 180 | 180 | 85 | 250 | 500 | 140 | 63 | 400 | B型 |
| 100 | 190 | 190 | 90 | 340 | 595 | 140 | 63 | 600 | C型 | |
| 125 | 200 | 200 | 100 | 395 | 680 | 200 | 108 | 600 | C型 | |
| 150 | 210 | 210 | 120 | 425 | 730 | 240 | 152 | 600 | C型 | |
| 200 | 230 | 230 | 138 | 448 | 848 | 300 | 168 | 800 | D型 | |
| 250 | 250 | 250 | 152 | 537 | 1000 | 320 | 192 | 800 | D型 | |
| 300 | 270 | 270 | 176 | 615 | 1145 | 168 | 237 | 800 | D型 | |
| 350 | 290 | 290 | 182 | 673 | 1200 | 168 | 237 | 400 | DA型 | |
| 400 | 310 | 310 | 204 | 814 | 1345 | 168 | 237 | 400 | DA型 | |
| 500 | 350 | 350 | 232 | 946 | 1506 | 275 | 333 | 600 | DB型 | |
| 600 | 390 | 390 | 248 | 998 | 1618 | 275 | 333 | 600 | DC型 | |
声明:本文中所有文字、数据、图片均只适用于参考,阀门的性能参数、结构尺寸参数、价格等详情,请B体育(中国),电话:010-89283399
关键词:
阀门